Коллектор WKS80 на 2 контура Warme
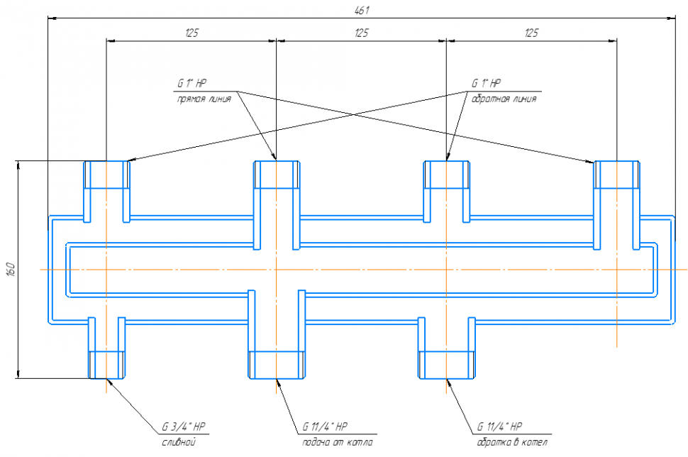
Настенный распределительный коллектор Warme WKS80.2 на 2 контура с разделением подающей и обратной линий. Эксплуатация коллектора требует применения насосных групп на контурах потребителей. Предусмотрена защита насосов контуров и котла от перепадов давления при отключении контуров. Для этого необходимо установить гидроразделитель (гидрострелку) WGR80.BG. Котел в системе отопления работает значительно эффективнее, если в системе отопления включен распределительный коллектор Warme с гидроразделителем WGR80.BG. Распределительный коллектор Warme рекомендуется к установке в малоэтажных загородных частных домах. Благодаря установке распределительного коллектора Warme WKS80.2 в доме монтируются отдельные поэтажные контуры радиаторного отопления и теплых полов с собственным последующим ручным или автоматическим регулированием температуры.


